loading
☰
Ngôn ngữ
VietName
Toàn bộ
Sách, tuyển tập
Bài trích
Luận án, luận văn
Ấn phẩm định kỳ
Phim
Bản đồ, sách bản đồ
Âm thanh
CD-ROM
Chọn Thư viện
Tìm kiếm nâng cao
Thư viện Trường Cao Đẳng Nghề Kiên Giang
Trang chủ
Tài liệu giấy
Tài liệu điện tử
Tìm kiếm
Theo các đề mục
Liên thư viện Z39.50
Tìm kiếm nâng cao
Nội quy
Trang chủ
Tài liệu giấy
Tài liệu điện tử
Tìm kiếm
Theo các đề mục
Báo tạp chí định kỳ
Liên thư viện Z39.50
Tìm kiếm nâng cao
Nội quy
Đăng nhập
Đổi mật khẩu
Gia hạn thẻ
0
Trang chủ
Tài liệu điện tử
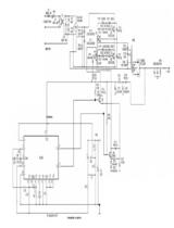
Hinh ảnh bộ nguồn xung
tài liệu điện tử
Hinh ảnh bộ nguồn xung
Tác giả :
Tài liệu sưu tầm
tài liệu điện tử
Chia sẻ
Chia sẻ
×
Ấn phẩm định kỳ
Hinh ảnh bộ nguồn xung
×
Duyệt đề mục
Duyệt sách yêu thích
Trở lại
Gửi Email
Xoá danh sách
In danh sách
×
Chọn tất cả thư viện
Thư viện Trường Cao Đẳng Nghề Kiên Giang
Top